您的位置: 首页 > 行业解决方案
散装物料储运系统解决方案
火电行业
火力发电厂煤粉燃烧后会产生粉煤灰,处理不当会污染环境。粉煤灰回收利用可以避免污染环境,同时增加经济效益。实荣为客户提供粉煤灰储存、输送及分选系统,为客户提供专业解决方案。
粉煤灰存储系统
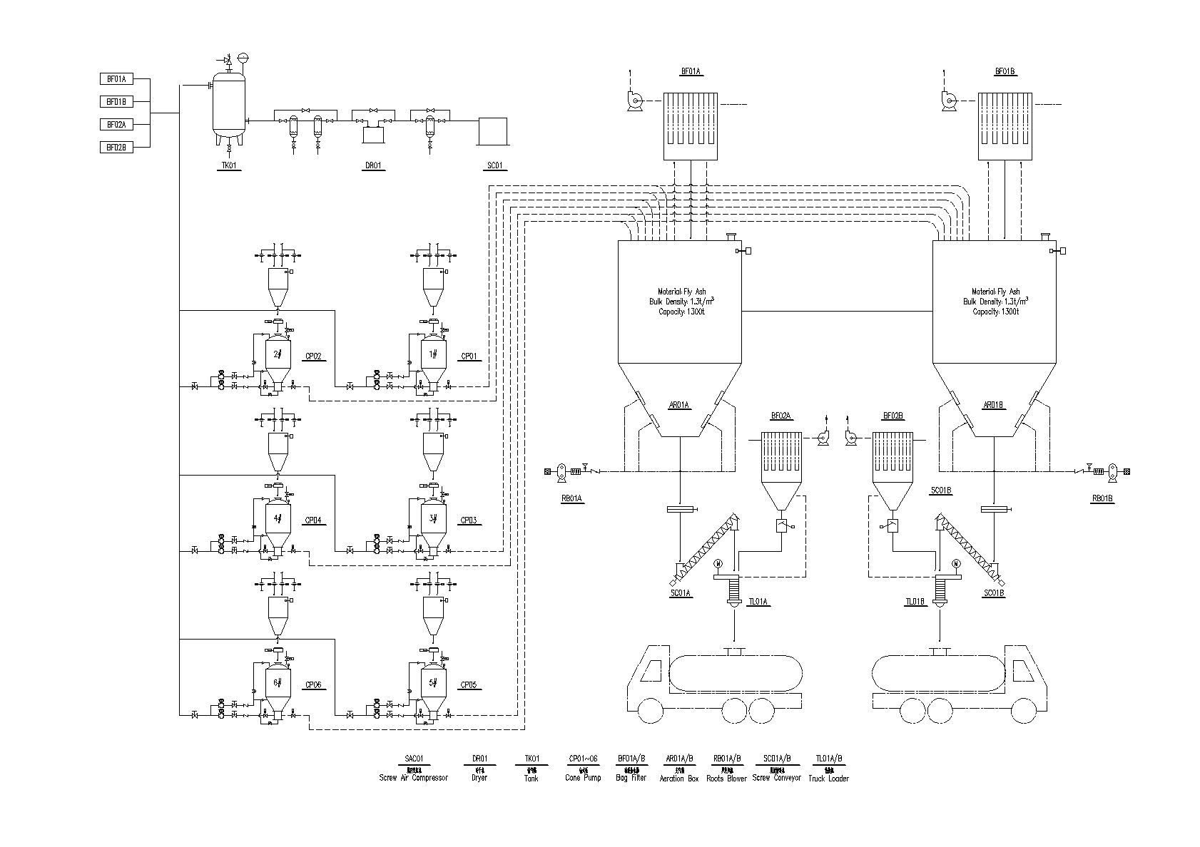
实荣可提供1000-50000m3各种规格的粉煤灰钢板仓储存系统。粉煤灰储运系统包括大型钢板仓、气力输送进料管道、仓顶除尘器、料位仪表、压力释放阀,仓底流化出料系统,输送设备及小型发放仓。根据客户的具体情况,实荣为客户提供粉煤灰储存、输送、发放系统解决方案,建设周期短、投资成本低,最大程度为客户创造收益。
粉煤灰气力输送系统
实荣为客户提供脉冲式气力输送系统、正压气力输送系统、稀相气力输送系统等各种解决方案。实荣粉煤灰气力输送系统具有自动化程度高、操作简单、输送速度快、输送效率高等特点。实荣气力输送设备有仓式泵、料封泵、螺旋式气力输送泵、旋转供料器、气力提升泵、电气控制系统等。实荣气力输送系统使用寿命长,几乎不需维护,输送灵活。
粉煤灰分选系统
粉煤灰风选系统是利用分级机将火力发电厂产生的粉煤灰原灰按粒度不同分选为粗灰、I级灰、II级灰。实荣粉煤灰风选系统优点:设备运行稳定可靠;自动化程度高,系统操作简单,处理量大,分级效率级效率高,分级效率可在85%以上;系统耐磨性能高,投资成本低,系统布置方式灵活。实荣根据客户要求可采用离散布置、库侧集中布置和库顶集中布置等方式。
姓名:
*邮箱:
*电话:
*需求:
工艺流程图
粉煤灰存储系统
粉煤灰气力输送系统
筒仓类型
大型焊接钢板仓
大型焊接钢板仓
螺旋卷边式钢板仓
螺旋卷边式钢板仓
大型装配式钢板仓
大型装配式钢板仓
小型装配式钢板仓
小型装配式钢板仓
为什么选择实荣筒仓
我们的愿景是成为散料储运领域的国际工业品牌;以技术铸就工程之美是我们的产品和服务理念;高标准、国际化、品牌化是我们的经营理念。
EPC服务
工程咨询
工程设计
设备制造
项目施工
安装调试
运营管理
配套设备
粉煤灰风选系统
粉煤灰风选系统
View More
收尘器
收尘器
View More
雷达料位计
雷达料位计
View More
皮带输送机
皮带输送机
View More
项目案例
实荣先后在30多个国家和地区承揽了工程项目,取得了900余座钢板仓工程,散料总储量300万吨的工程业绩。
大型焊接钢板库
菲律宾生力集团6x10,000吨大型焊接熟料钢板仓系统
本项目为实荣公司承建菲律宾生力集团达沃10x10000吨钢板仓系统。 其中6座为熟料钢板仓。实荣公司负责项目整体工程设计,供货和指导安装,调试。项目已顺利完工并投产。
物料: 熟料
储量: 60,000吨
仓型: 大型焊接钢板仓
大型焊接钢板仓
菲律宾生力集团4x10,000吨大型焊接水泥钢板仓系统
本项目为实荣公司承建菲律宾生力集团达沃10x10000吨钢板库系统,其中4座为水泥仓。实荣公司负责项目整体工程设计,供货和指导安装,调试。项目已竣工投产。
物料: 水泥
储量: 40,000吨
仓型: 大型焊接钢板仓
Loading station
巴基斯坦塔尔煤田装车站项目
塔尔煤田是全球第7大煤田,原煤储量约1750亿吨。塔尔煤电项目是一带一路旗舰项目,也是中巴经济走廊乃至整个巴基斯坦首个煤电一体化项目。
物料:
储量: 2x5000吨
仓型: 混凝土仓
请在下面的表格中填写并提交您的需求.
我们将在24小时内回复您.
姓名:
*邮箱:
*电话:
国家:
*需求:
总部 :
河南省郑州市CBD商务外环路24号中国人保大厦28层
电话: 0371-63253880
info@sronsilo.com
17719833307