您的位置: 首页 > 行业解决方案
散装物料储运系统解决方案
铝行业
在铝行业领域,实荣为客户提供:氧化铝存储钢板仓、仓顶均化系统、仓底气化出料系统、空气斜槽输送系统、电解铝厂超浓相输送系统等。
氧化铝厂储运系统
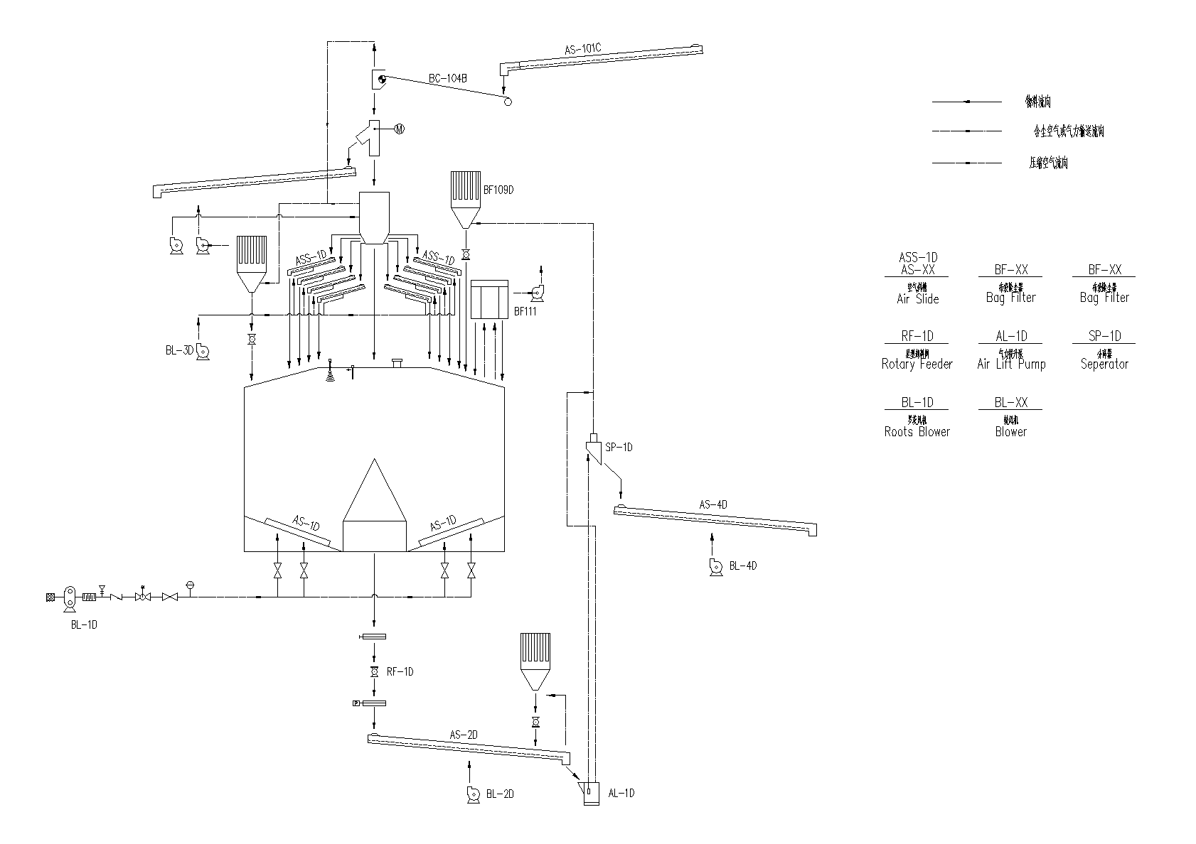
氧化铝厂储运系统用于将氢氧化铝焙烧炉生产的氧化铝通过空气斜槽、斗式提升机、仓顶分配器等输送至氧化铝筒仓储存。根据客户需求,实荣可提供焊接式钢板仓、螺旋卷板钢板仓筒仓,实荣氧化铝储运系统完全适用氧化铝高磨蚀的特性,储运系统投资、运行成本低,氧化铝破损率低,出料顺畅无堵塞,运转设备做到可靠密封,设备寿命长。
氧化铝厂吨袋包装系统
氧化铝储仓的氧化铝经空气斜槽输送至吨包机上方的缓冲仓内,经吨包机包装后,通过链板输送机运出。实荣氧化铝吨袋包装机自动化程度高,采用微机秤,包装精度±0.5%,包装能力≥40袋/h。吨袋包装机设备性能稳定,包装精度高,速度快。防尘除尘设计先进,降低工作环境下的粉尘污染。称重系统采用全面板数字调校及参数设定,灵敏度高。
电解铝厂储运系统
电解铝厂储运系统解决了氧化铝储存和氧化铝向电解车间电解槽加料的问题。氧化铝通过斗式提升机或带式输送机输送至氧化铝仓内,通过仓顶均化装置将氧化铝均匀卸至仓内。氧化铝仓内的氧化铝通过空气斜槽输送系统输送至电解车间电解槽料箱。实荣电解铝厂储运系统采用分段输送工艺,系统运行稳定,供料效率高。
姓名:
*邮箱:
*电话:
*需求:
工艺流程图
氧化铝厂储运系统
氧化铝吨袋包装系统
筒仓类型
大型焊接钢板仓
大型焊接钢板仓
螺旋卷边式钢板仓
螺旋卷边式钢板仓
大型装配式钢板仓
大型装配式钢板仓
小型装配式钢板仓
小型装配式钢板仓
为什么选择实荣筒仓
我们的愿景是成为散料储运领域的国际工业品牌;以技术铸就工程之美是我们的产品和服务理念;高标准、国际化、品牌化是我们的经营理念。
EPC服务
工程咨询
工程设计
设备制造
项目施工
安装调试
运营管理
配套设备
TGD 型钢丝胶带斗式提升机
TGD 型钢丝胶带斗式提升机
View More
皮带输送机
皮带输送机
View More
板链斗式提升机
板链斗式提升机
View More
空气斜槽
空气斜槽
View More
项目案例
实荣先后在30多个国家和地区承揽了工程项目,取得了900余座钢板仓工程,散料总储量300万吨的工程业绩。
螺旋卷边仓
宝武环科3x5000吨钢渣粉钢板仓项目
该中标项目为武汉市青山区的宝武环科武汉金属资源有限责任公司新建卷板式钢板仓3套,总储量15000吨,用于储存、处置钢渣粉。
存储物料: 钢渣粉
储量: 15000吨
筒仓类型: 螺旋卷边仓
大型焊接钢板仓
菲律宾生力集团4x10,000吨大型焊接水泥钢板仓系统
本项目为实荣公司承建菲律宾生力集团达沃10x10000吨钢板库系统,其中4座为水泥仓。实荣公司负责项目整体工程设计,供货和指导安装,调试。项目已竣工投产。
物料: 水泥
储量: 40,000吨
仓型: 大型焊接钢板仓
大型焊接钢板库
菲律宾生力集团6x10,000吨大型焊接熟料钢板仓系统
本项目为实荣公司承建菲律宾生力集团达沃10x10000吨钢板仓系统。 其中6座为熟料钢板仓。实荣公司负责项目整体工程设计,供货和指导安装,调试。项目已顺利完工并投产。
物料: 熟料
储量: 60,000吨
仓型: 大型焊接钢板仓
请在下面的表格中填写并提交您的需求.
我们将在24小时内回复您.
姓名:
*邮箱:
*电话:
国家:
*需求:
总部 :
河南省郑州市CBD商务外环路24号中国人保大厦28层
电话: 0371-63253880
info@sronsilo.com
17719833307